
40
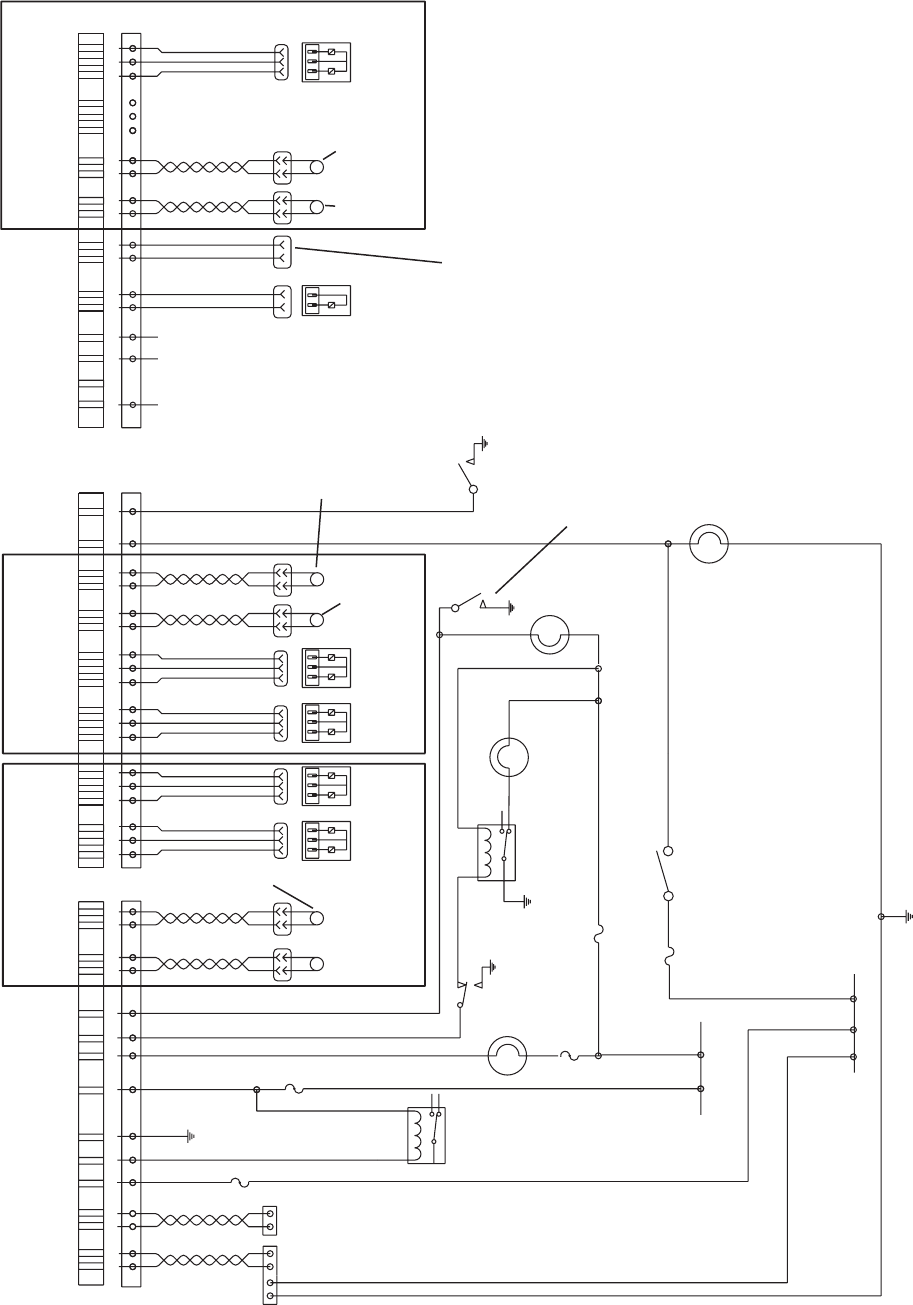
FIGURA 21 - ALAMBRADO ESQUEMATICO DE CHASIS PREMIUM (6S/5M)
Localización de averías: Alambrado esquemático de chasis premium (6S/5M)
WSS_SL+
WSS_SL-
WSS_SR+
WSS_SR-
1
5
2
6
14
10 15
9
11 12
13
3
7
48
30A
PMV_SL_HLD
PMV_SL_REL
PMV_SL_CM N
PMV_SR_HLD
PMV_SR_REL
PMV_SR_CMN
PMV_DL_HLD
PMV_DL_REL
PMV_DL_CMN
PMV_DR_HLD
PMV_DR_REL
PMV_DR_CMN
WSS_DL+
WSS_DL-
WSS_DR+
WSS_DR-
78 13
91 0
14
11 12
15
17
18 16
5
6 12
3
4
WSS_AL+
WSS_AL-
WSS_AR+
WSS_AR-
PMV_AA_HLD
PMV_AA_REL
PMV_AA_CM N
1
2
34
56
71 3
81 4
91 8
15
11
12
17
10
16
5A
5A
5A
X2
X2
5A
X3
X3
X1
X1
3
21
3
21
3
21
3
21
3
21
*
*
*
*
*
* Válvulas moduladoras de presión
Conector Seguro de girar Packard
Común (CMN) Patilla 2 Patilla B
Retención (HLD) Patilla 3 Patilla C
Liberación (REL) Patilla 1 Patilla A
LAMPARA DEL ATC/
INTERRUPTORDE CARRETERA
DESTAPADA(ORS)
J1587_B
J1587_A
J1939_BAJO
J1939_ALTO
BATERIA
RETARDADOR
TIERRA
IGNICION
REMOLQUE ABS WL
ABS WL
EJE MOTRIZ EJE DIRECCIONAL
SENSOR DE
VELOCIDAD
DE LA
RUEDA- EJE
MOTRIZ
DERECHO
SENSOR DE
VELOCIDAD
DE LA
RUEDA- EJE
MOTRIZ
IZQUIERDO
EJE MOTRIZ
DERECHO
VALVULA
MODULADORA
DE PRESION
EJE MOTRIZ
IZQUIERDO
VALVULA
MODULADORA
DE PRESION
EJE
DIRECCIONAL
DERECHO
VALVULA
MODULADORA
DE
PRESION
EJE
DIRECCIONAL
IZQUIERDO
VALVULA
MODULADORA
DE
PRESION
SENSOR DE
VELOCIDAD
DE LA
RUEDA- EJE
DIRECCIONAL
IZQUIERDO
(OPCIONAL)
RELE
RETARDADOR
LAMPARA
INDICADORA
DEREMOLQUE
ABS
LAMPARA
INDICADORA
ABS
+12V IGNICION
+12V BATERIA
SENSOR DE
VELOCIDAD
DE LA
RUEDA EJE
MOTRIZ
ADICIONAL
DERECHO
VALVULA
MODULADORA
DE
PRESION DEL
EJE MOTRIZ
ADICIONAL
EJE ADICIONAL
CERROJO
DIFERENCIALSOL
ENTRADA/ SALIDA 4
ENTRADA/ SALIDA 2
ENTRADA/ SALIDA 3
VALVULA DE CONTROL DE
TRACCION-EJE MOTRIZ
DIFERENCIAL-COMUN
LAMPARA DE
PARADA
INTERRUPTOR
DE LAMPARA
DE
PARADA(SLS)
VALVULA DE
CONTROL DE
TRACCION
(TCV)
INTERRUPTOR
DE CARRETERA
DESTAPADA(ORS)
DEL ABS
LAMPARA
DEL ATC
INTERRUPTOR
DE CARRETERA
DESTAPADA(ORS)
DEL ATC
ABS WL
RELE
NO USADO
DIFERENCIAL
VALVULA DE CONTROL DE
TRACCION-EJE MOTRIZ-COMUN
NO USADO
NO USADO
NO USADO
SENSOR DE
VELOCIDAD
DE LA RUEDA-
EJE MOTRIZ
DERECHO
SENSOR DE
VELOCIDAD
DE LA RUEDA-
EJE MOTRIZ
IZQUIERDO
ABS
ABS ORS
Comments to this Manuals